Blog
Phase Failure Relay dan RCP Relay, Apa itu?
Phase Failure Relay ini berfungsi untuk memonitoring tegangan listrik jatuh, urutan fasa dan asimetri keteradaan tiga satuan gelombang. RCP relay ini akan beroperasi pada tegangan jatuh dan kebalikan gelombang, yang sangat penting untuk proteksi kerja motor induksi.
Sebenarnya RCP relay ini sama fungsinya seperti thermal overload dan alat alat proteksi motor lainnya, yaitu memutus rangkaian pengendali dari suatu sistem kerja motor listrik.

dalam gambar diatas RCP Relay mempunyai kontak NO dan NC, sama seperti yang terdapat pada thermal overload.
NO & NC
Setelah kita mengenal apa itu Thermal Overload, RCP Relay dan Phase Failure Relay, maka dapat diambil kesimpulan bahwa:
- Peralatan tersebut akan bekerja pada kondisi tertentu
- Peralatan tersebut terdapat kontak NO dan NC yang bisa digunakan pada sistem
Coba perhatikan gambar berikut ini
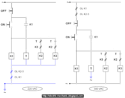
Gambar diatas adalah gambar Rangkaian Pengendali hubung Star Delta yang pernah dibahas sebelumnya. Pada wiring diagram tersebut saya belum memasang sistem proteksi untuk motor, maka pada Rangkaian Utamanya saya pasang Thermal Overload pada masing-masing Kontaktornya K1, K2 dan K3 seperti pada gambar berikut
dan sesuai apa yang telah dibahas sebelumnya bahwa fungsi dasar dari peralatan proteksi ialah ‘untuk memutuskan sistem pada rangkaian pengendali melalui fungsi NO da NC nya,’ maka sebaiknya NC dari Thermal Overload di pasang pada input koil dari kontaktor masing masing. atau bisa juga pada input utama rangkaiannya. Maka didapat gambar seperti dibawah ini, dalam tegangan kerja rangkaian yang berbeda.
Catatan:
Penempatan NC dan NO dari peralatan peralatan proteksi bisa ditempatkan dimana saja asalkan bisa memutus sistem interlock dari sebuah rangkaian pengendali motor.
Hal yang sama bisa juga dilakukan pada NC dan NO dari RCP Relay, Phase Failure Relay, limit switch, TDR Time Delay Relay / Timer dan berbagai jenis Sensor sesuai dengan sistem kerja motor atau sistem sistem kelistrikan yang lain.
Dan untuk mengetahui foto gambar pengkabelan sistem proteksi kerja motor induksi ini, anda dapat melihatnya disini, terutama pada rangkaian pengendali hubung star deltanya.